变频器实现调速首先保证线路连接正确,其次,变频器的参数调试正确,变频器供电正确,变频器负载正确,再保证以上没有问题的情况下,变频器可以通过以下几种方法进行调速。
变频器可以进行调速的几种方法
一、通过面板进行调速,变频器本身自带控制面板,可以通过控制面板的上下键进行调速,有的变频器带电位计也可以通过电位器旋转来进行调速,电位器的调速的原理就是根据电位计旋转电阻大小来改变电压的大小,最终实现调速,要想实现面板调速,首先在参数里面进行设置,再调速方式选择HMI终端

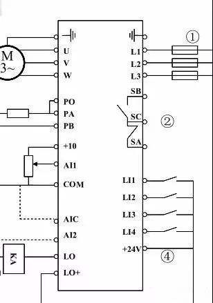
二,通过控制端子进行调速,端子调速可分为信号类型不同,分为电压信号和电流信号,电压信号一般是0到10伏,电流信号一般是4到20毫安,电压和电流信号的选择,有的是通过参数进行选择,有的是通过变频器的跳线进行选择,比如选择4到20毫安的电流信号,需要将端子的电流输入信号,接到plc或者dcs,当dcs或者Plc输出4到20毫安,变频器进行接收后,进行相关调速,采用端子调速,在参数设置时,调速方式选择控制端子,可以根据变频器参数的最大和最小转速的限制来改变4到20毫安所对应的转速

三,通过485通讯进行调速,目前市场上大多数变频器都具有485通讯功能,通讯端子可以连接dcs或者Plc,上位机,等控制设备,在连接好通讯电缆后,根据变频器说明书提供的变频器的通讯协议,波特率,来进行配置,如果是多台变频器连接的话需要设置地址,设置完成后,在上位机进行读取变频器相关数据,也可以上位机写入相关指令进行控制变频器,最终实现变频器调速的目的
施耐德变频器ATV61调试方法

一 准备工作
1、测绝缘。 将变频器的电源端(R.S.T)与电机端(U.V.W)连
接电缆脱开,用500兆欧或者1000兆欧的摇表对电缆进行绝缘检查,若符合要求,恢复接线。
2、检查接线。核实变频器的内外部控制线路接线,若无问题后方可送电。
二 调试前
(1)将随机带来面板安好,送电后选择语言类型(中文)点击确定。
(2)记录好电机的铭牌以110KW鼓风机为例; 电机功率110KW 电压380V 频率50HZ
转数1490r/min 额定电流 198.7A
三 调试
1.进入1.4电机控制菜单中,将上述铭牌信息进行输入
2.进行自整定。 注意:自整定过程中现场电机旁必须监护,以免误操作。如发现电机反转在1.4中更改输出相序A-B-C或A-C-B。
3.待整定结束后进入1.3菜单将加速时间、减速时间设为80S 。低频率 0Hz 高频率 50Hz。
4. 随后进入1.5菜单对输入输出参数进行设置。设置如下:
2/3线控制 设置为 2线控制 AO1分配 设置为 电机频率;
AO1类型设为电流。 AO1最小4mA 最大20mA 。
AI2设为电流AI2 AI2 最小4mA 最大20mA。
1.6命令菜单
给定1通道设为AI2 组合模式为 组合通道
给定2切换设为LI5 给定2通道设为LI加减速
(此功能为设置现场操作箱调速必要步骤,外部接线 为变频器端子24V与LI5端子进行适当短接详见鼓风机控制原理图)
1.7应用菜单
给定1B 切换为 通道1有效 给定1B通道 改为 未设置
加速分 配为LI4 减速分配为LI3 停车方式 自由停车
(注:变频器默认设置LI4 LI3等参数已被占用需要进入1.7给定1B通道和1.8故障复位选项中进行复位或更改其它)
1.8故障管理
故障复位设为未设置 欠压故障电压 190V。
设置完所有参数后 可以进行起车。