断路器失灵保护定义与应用
断路器失灵保护就是指故障电气设备的继电保护动作发出跳闸命令而断路器拒动时,利用故障设备的保护动作信息与拒动断路器的电流信息构成对断路器失灵的判别,能够以较短的时限切除同一厂站内其他有关的断路器,使停电范围限制在最小,从而保证整个电网的稳定运行,避免造成发电机、变压器等故障元件的严重烧损和电网的崩溃瓦解事故。

在110kV及以上电压等级的发电厂和变电所中,当输电线路、变压器或母线发生短路,在保护装置动作于切除故障时,可能伴随故障元件的断路器拒动,也即发生了断路器的失灵故障。产生断路器失灵故障的原因是多方面的,如断路器跳闸线圈短线,断路器的操动机构失灵等。高压电网的断路器和保护装置,都应具有一定的后备作用,以便在断路器或保护装置失灵时,仍能有效切除故障。相邻元件的远后备保护方案是最简单合理的后备方式,既是保护据动的后备,又是断路器拒动的后备。但是在高压电网中,由于各电源支路的助增作用,实现上述后备方式往往有较大困难(灵敏度不够),而且由于动作时间较长,易造成事故范围的扩大,甚至引起系统失稳而瓦解。有鉴于此,电网中枢地区重要的220kV及以上主干线路,系统稳定要求必须装设全线速动保护时,通常可装饰两套独立的全线速动主保护(即保护的双重化),以防保护装置的拒动;对于断路器的拒动,则专门装设断路器失灵保护。

断路器拒动是电网故障情况下又叠加断路器操作失灵的双重故障,允许适当降低其保护要求,但必须以最终能切除故障为原则。在现代高压和超高压电网中,断路器失灵保护作为一种近后备保护方式得到了普遍采用。
断路器失灵保护的构成及其作用
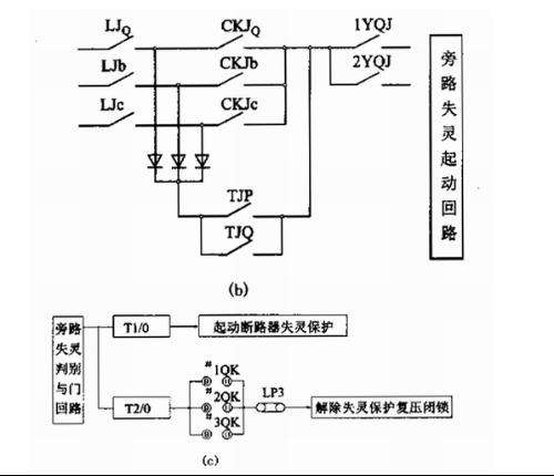
失灵保护由电压闭锁元件、保护动作与电流判别构成的启动回路、时间元件及跳闸出口回路组成。

(1)起动回路:由该组母线上所有出线的保护装置的出口继电器和判别故障是否消除的鉴别元件——低电压继电器构成.它只有在同时满足:故障线路(设备)的保护装置出口继电器动作后不返回和在保护范围内仍然存在故障这两个条件时,才能允许失灵保护动作.
(2)时间元件:在该组母线上的保护动作后才开始计时,其动作时限不需与其它保护配合,仅需躲过断路器跳闸时间与保护返回时间之和(0.3S).
(3)出口回路:通过出口继电器将该组母线上的所有断路器的跳闸回路都连接在一起.
(4)当发生故障,若保护动作开关拒动时,失灵保护能以较短时间切除邻近的开关,缩小故障范围.若母线故障,母联开关拒动,开关失灵保护将切除两组母线上所有开关.
启动回路是保证整套保护正确工作的关键之一,必须安全可靠,应实现双重判别,防止单一条件判断断路器失灵,以及因保护触点卡涩不返回或误碰、误通电等造成的误启动。启动回路包括启动元件和判别元件;2个元件构成“与”逻辑。启动元件通常利用断路器自动跳闸出口回路本身,可直接用瞬时返回的出口跳闸继电器触点,也可与出口跳闸继电器并联的、瞬时返回的辅助中间继电器触点,触点动作不复归表示断路器失灵。
判别元件以不同的方式鉴别故障确未消除。现有运行设备采用相电流(线路)、零序电流(变压器)的“有流”判别方式。保护动作后,回路中仍有电流,说明故障确未消除。时间元件是断路器失灵保护的中间环节,为了防止单一时间元件故障造成失灵保护误动,时间元件应与启动回路构成“与”逻辑后,再启动出口继电器。失灵保护的电压闭锁一般由母线低电压、负序电压和零序电压继电器构成。当失灵保护与母差保护共用出口跳闸回路时,它们也共用电压闭锁元件。